R051

크기

커넥터

R051

미세 통로형 BPHE

R051은 새로 개발된 BPHE 모델로 환경 친화적이며, R290(Propane),R32, R410a, R134a, 등과 같이 높은 열전도 냉매 조건에 적합합니다. R051은 금속판의 형태에서 혁신적인 디자인을 사용하고 있습니다. 경량 및 고내압성의 특징으로 인해 탄소 배출량을 크게 줄였고, 효율은 10% 가량 높였습니다. R051은 작동 조건, 냉각 및 난방 효과 생성, 특히 증발 건조기 및 콘덴서, 등과 완벽하게 호환 가능합니다.

Industry: 냉각기 히트 펌프 냉동고 폐열 회수 공정 냉각 / 가열 반도체 공작 기계 재생 에너지 지역 난방 보일러 데이터 센터 인프라 기어 박스 가열 / 냉각
Application: 증발기 콘덴서 과냉각 기 절약기 오일 쿨러 인터쿨러
Plate Material: SUS316
Brazing Material: 구리
Max number of plates(N): 120
Working Pressure: 45
Min test pressure(bar): 65
Max working temperature: 200
Max flow_rate: 240
Plate Heat Transfer Area: 0.0255
Thickness(mm): 12.0+1.80*N
Weight(kg): 2.10+0.089*N
Connection-Male Thread(up to): 1 1/4"
Connection-Female Thread(up to): 1"
Connection-Solder(up to): 1 1/8"
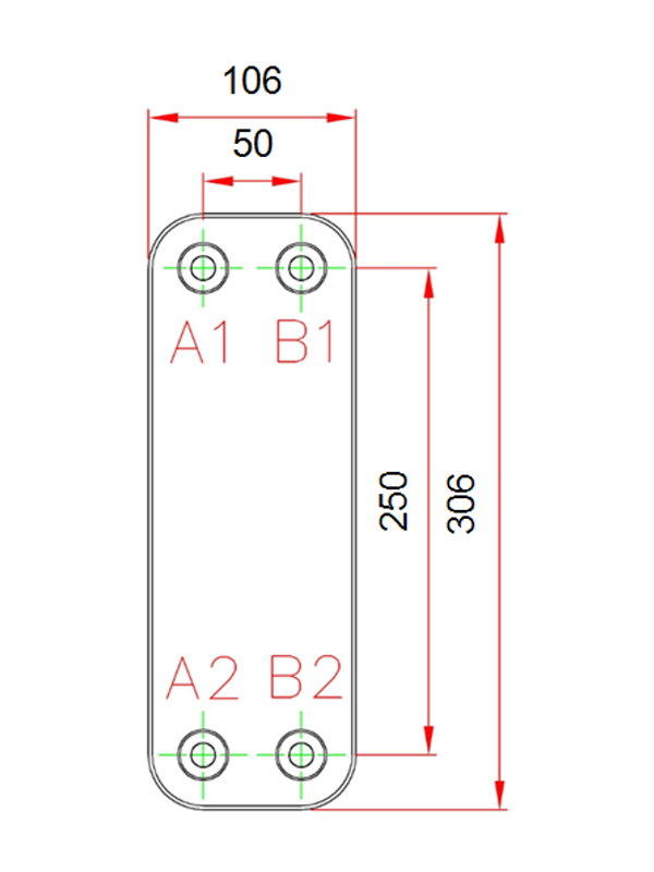
L1(mm): 306
L2(mm): 250
W1(mm): 106
W2(mm): 50

R051은 새로 개발된 BPHE 모델로 환경 친화적이며, R290(Propane),R32, R410a, R134a, 등과 같이 높은 열전도 냉매 조건에 적합합니다. R051은 금속판의 형태에서 혁신적인 디자인을 사용하고 있습니다. 경량 및 고내압성의 특징으로 인해 탄소 배출량을 크게 줄였고, 효율은 10% 가량 높였습니다. R051은 작동 조건, 냉각 및 난방 효과 생성, 특히 증발 건조기 및 콘덴서, 등과 완벽하게 호환 가능합니다.

NAME
TEL
EMAIL
MESSAGE
Cpatcha
如果看不清楚請點擊圖片刷新
   
輸入圖片上的字母
不區分大小寫