K040S

크기

커넥터

K040S

특장형 BPHE

K040S는 45바까지 견딜 수 있으며, 콘덴서 및 완열기의 R410a 및 R134a 같은 고압 냉매와 잘 맞습니다. K040S는 유량 통로를 좀 더 길게 하여 열교환에 이용합니다. 응용 분야로는 열펌프, 기름 냉각 시스템 및 냉각기도 있으며, 이들의 특징은 적은 유량, 높은 온도차, 등의 환경입니다.

Industry: 냉각기 히트 펌프 냉동고 폐열 회수 식품 장비 산업 제약 산업 공정 냉각 / 가열 반도체 유압 산업 공작 기계 생명 공학 재생 에너지 지역 난방 보일러 유체 냉각 / 가열 데이터 센터 인프라 플라스틱 사출 / 고무 압출기 공기 압축기 기어 박스 가열 / 냉각
Application: 증발기 콘덴서 과냉각 기 절약기 오일 쿨러 인터쿨러
Heat Load(up to)kW: 7.03
Plate Material: SUS316
Brazing Material: 구리
Max number of plates(N): 60
Working Pressure: 45
Min test pressure(bar): 65
Max working temperature: 200
Max flow_rate: 70
Plate Heat Transfer Area: 0.0195
Thickness(mm): 9.00+2.30*N
Weight(kg): 0.84+0.070*N
Connection-Male Thread(up to): 3/4"
Connection-Female Thread(up to): 1/2"
Connection-Solder(up to): 3/4"
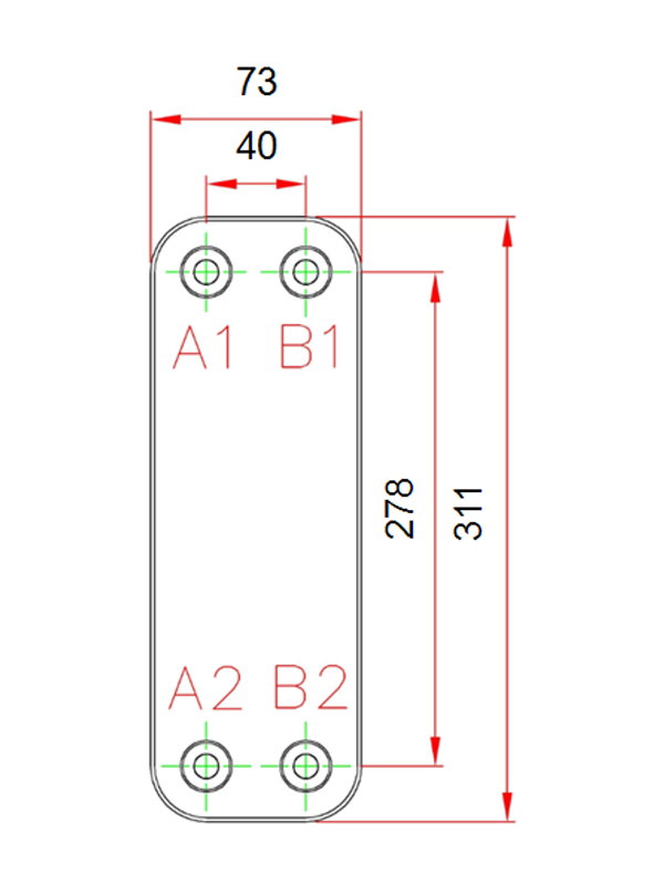
L1(mm): 311
L2(mm): 278
W1(mm): 73
W2(mm): 40

K040S는 45바까지 견딜 수 있으며, 콘덴서 및 완열기의 R410a 및 R134a 같은 고압 냉매와 잘 맞습니다. K040S는 유량 통로를 좀 더 길게 하여 열교환에 이용합니다. 응용 분야로는 열펌프, 기름 냉각 시스템 및 냉각기도 있으며, 이들의 특징은 적은 유량, 높은 온도차, 등의 환경입니다.

NAME
TEL
EMAIL
MESSAGE
Cpatcha
如果看不清楚請點擊圖片刷新
   
輸入圖片上的字母
不區分大小寫