K095S

크기

커넥터

K095S

특장형 BPHE

K095S는 45바까지 견딜 수 있으며, 콘덴서 및 완열기의 R410a 및 R134a 같은 고압 냉매와 잘 맞습니다. K095S는 유량 통로를 좀 더 길게 하여 열교환에 이용합니다. 이 모델은 적은 유량이지만 높은 온도차 환경의 시스템에서 이용될 수 있습니다. 예를 들면, 열펌프, 기름 냉각, 냉각기, 등이 있습니다.

Industry: 냉각기 히트 펌프 냉동고 폐열 회수 식품 장비 산업 제약 산업 공정 냉각 / 가열 반도체 유압 산업 공작 기계 생명 공학 재생 에너지 지역 난방 보일러 유체 냉각 / 가열 데이터 센터 인프라 플라스틱 사출 / 고무 압출기 공기 압축기 기어 박스 가열 / 냉각
Application: 증발기 콘덴서 과냉각 기 오일 쿨러
Heat Load(up to)kW: 35.16
Plate Material: SUS316
Brazing Material: 구리
Max number of plates(N): 120
Working Pressure: 45
Min test pressure(bar): 65
Max working temperature: 200
Max flow_rate: 260
Plate Heat Transfer Area: 0.0475
Thickness(mm): 13.0+2.38*N
Weight(kg): 3.77+0.204*N
Connection-Male Thread(up to): 1 1/4"
Connection-Female Thread(up to): 1"
Connection-Solder(up to): 1 3/8"
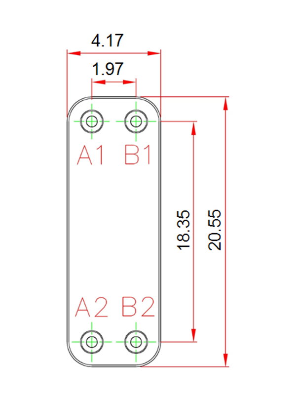
L1(mm): 522
L2(mm): 466
W1(mm): 106
W2(mm): 50

K095S는 45바까지 견딜 수 있으며, 콘덴서 및 완열기의 R410a 및 R134a 같은 고압 냉매와 잘 맞습니다. K095S는 유량 통로를 좀 더 길게 하여 열교환에 이용합니다. 이 모델은 적은 유량이지만 높은 온도차 환경의 시스템에서 이용될 수 있습니다. 예를 들면, 열펌프, 기름 냉각, 냉각기, 등이 있습니다.

NAME
TEL
EMAIL
MESSAGE
Cpatcha
如果看不清楚請點擊圖片刷新
   
輸入圖片上的字母
不區分大小寫