Z401

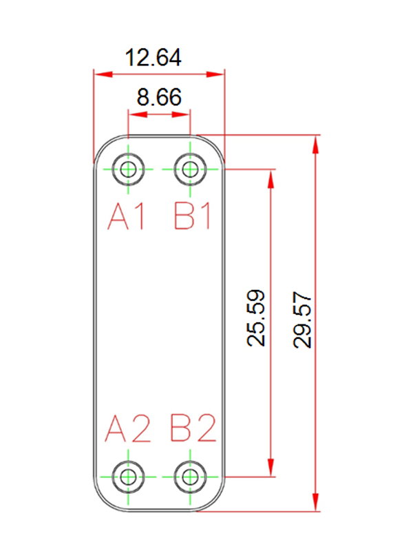
크기

커넥터

Z401

사류형 BPHE

Z 시리즈는 사류형 방식으로 설계되었으며, 높은 효율과 광범위한 응용 분야가 그 특징입니다. 이는 투관형 및 나선형 BPHE 모두를 대체할 수 있습니다. 사류형의 독특한 방식에서는 금속판의 전도 면적을 이용하고 있으며, 금속판 모서리에 남아 있는 용수의 냉동 위험을 예방하고 있습니다. 이와 같은 설계에서는 내구성이 증가하고, 그 응용 분야를 한층 더 확장할 수 있습니다. 예를 들면, 증발 건조기, 콘덴서, 기름 냉각기, 지역 난방 시스템, 등입니다.

Industry: 냉각기 히트 펌프 냉동고 폐열 회수 식품 장비 산업 제약 산업 공정 냉각 / 가열 반도체 유압 산업 공작 기계 생명 공학 재생 에너지 지역 난방 보일러 유체 냉각 / 가열 데이터 센터 인프라 플라스틱 사출 / 고무 압출기 공기 압축기 기어 박스 가열 / 냉각
Application: 증발기 콘덴서 과냉각 기 절약기 인터쿨러
Heat Load(up to)kW: 527.4
Plate Material: SUS316
Brazing Material: 구리
Max number of plates(N): 210
Working Pressure: 45
Min test pressure(bar): 65
Max working temperature: 200
Max flow_rate: 1450
Plate Heat Transfer Area: 0.2074
Thickness(mm): 23.0+2.38*N
Weight(kg): 30.96+0.89*N
Connection-Male Thread(up to): 3"
Connection-Female Thread(up to): 3"
Connection-Solder(up to): 3 1/8"
Connection-Flange(up to): 3"
L1(mm): 751
L2(mm): 650
W1(mm): 321
W2(mm): 220

Z 시리즈는 사류형 방식으로 설계되었으며, 높은 효율과 광범위한 응용 분야가 그 특징입니다. 이는 투관형 및 나선형 BPHE 모두를 대체할 수 있습니다. 사류형의 독특한 방식에서는 금속판의 전도 면적을 이용하고 있으며, 금속판 모서리에 남아 있는 용수의 냉동 위험을 예방하고 있습니다. 이와 같은 설계에서는 내구성이 증가하고, 그 응용 분야를 한층 더 확장할 수 있습니다. 예를 들면, 증발 건조기, 콘덴서, 기름 냉각기, 지역 난방 시스템, 등입니다.

NAME
TEL
EMAIL
MESSAGE
Cpatcha
如果看不清楚請點擊圖片刷新
   
輸入圖片上的字母
不區分大小寫

제품 시리즈