M095
M095
Паяный пластинчатый теплообменник с защитой от хлора
M095 использует материал, который идентично классифицируется как SMO254. Он имеет выдающиеся характеристики коррозионной устойчивости и устойчивости к коррозии трещин. Помимо этого, его материалы содержат большое количество никеля, хрома и молибдена, которые усиливают способность сопротивляться разъеданию и предотвращать появление трещин.  
M095 подходит для рабочих условий, наполненных хлором, как например, плавательный бассейн.
						Industry:
													Чиллер
													Тепловой насос
													Рефрижератор / Морозильник
													Плавательный бассейн
											
					
						Application:
													Другой
											
										
						Plate Material:
													SMO254
											
					
						Brazing Material:
						Никель
					
					
						Max number of plates(N):
						80
					
					
						Working Pressure:
													10
											
										
						Min test pressure(bar):
						15
					
															
						Max working temperature:
						200
					
															
						Max flow_rate:
						260
					
															
						Plate Heat Transfer Area:
						0.0475
					
															
						Thickness(mm):
						10.0+2.40*N
					
															
						Weight(kg):
						2.64+0.240*N
					
															
						Connection-Male Thread(up to):
						1 1/4"
					
															
						Connection-Female Thread(up to):
						1"
					
															
						Connection-Solder(up to):
						1 3/8"
					
																									
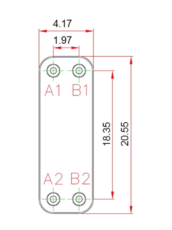
						L1(mm):
						522
					
					
						L2(mm):
						466
					
					
						W1(mm):
						106
					
					
						W2(mm):
						50