C096
C096
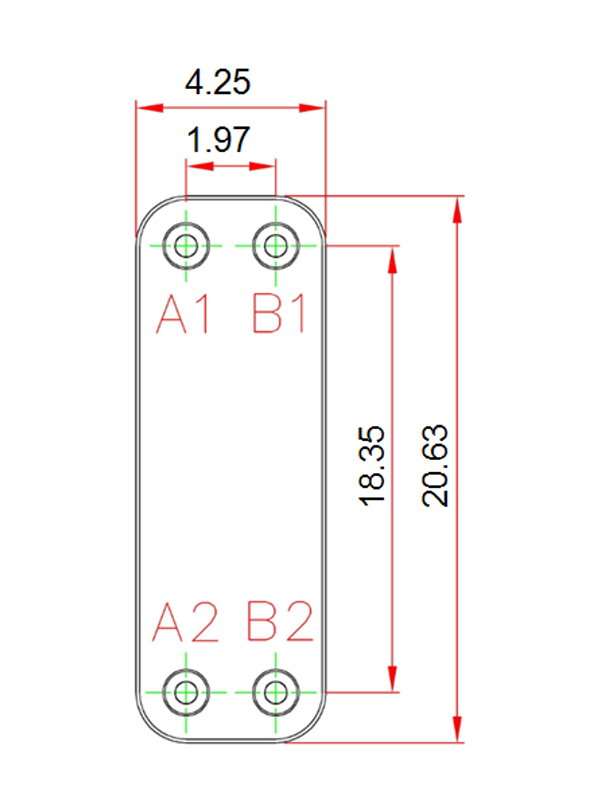
BPHE à ultra haute pression
La série C sont les échangeurs thermiques dédié au réfrigérant R744 (CO2) et sont compatibles avec les pompes à chaleur et les systèmes de réfrigération. Cette série se décline en trois types pour des pressions de 70/100/140 bar. La série C est caractérisée pour une conception compacte, une très haut pouvoir de transfert de chaleur et une faible chute de pression.
Le C096 supporte une pression de 100 bar et particulièrement la pression nécessitée par l'emploi du R744 comme fluide thermique. Dans une préoccupation environnementale, sa capacité est conforme aux souhaits de la Convention de Rio et de la Conférences des Parties (C.O.P.) et ne rejette aucun gaz à effet de serre (O.D.P.) Le C096 peut fonctionner en tant que pre-refroidisseur et son usage est répandu dans la plupart des pompes à chaleur domestiques.
