H051
H051
BPHE à ultra haute température
La H051 est composée d'acier inoxydable résistant à des températures pouvant atteindre 900°C. Cette série est particulièrement appropriée pour les piles à combustible, les énergies de nouvelle génération et l'industrie chimique. Cette série est utilisée d'une manière générale dans la chauffe ou le refroidissement des gaz.
						Industry:
													Récupération de chaleur perdue
													Pile à combustible
													Industrie des équipements alimentaires
													Pharmaceutique
													Énergie renouvelable
											
					
						Application:
													Autre
											
										
						Plate Material:
													SUS304
													SUS310S
											
					
						Brazing Material:
						Ni
					
					
						Max number of plates(N):
						80
					
					
						Working Pressure:
													10
											
										
						Min test pressure(bar):
						15
					
															
						Max working temperature:
						550
					
																				
						Plate Heat Transfer Area:
						0.0255
					
															
						Thickness(mm):
						10.0+2.40*N
					
															
						Weight(kg):
						1.64+0.137*N
					
																									
						Connection-Solder(up to):
						Depends on working condition
					
																									
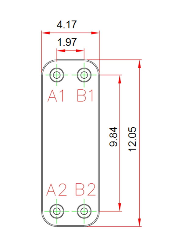
						L1(mm):
						306
					
					
						L2(mm):
						250
					
					
						W1(mm):
						106
					
					
						W2(mm):
						50
					
					
					
					
						
					
				