K105S

Größe

Verbinder

K105S

Сверхпрочный паяный пластинчатый теплообменник

Der K105S wurde mit einer hohen Druckbeständigkeit, einer kompakten Größe und einem langen Strömungskanal für einen besseren Wärmewirkungsgrad gebaut. Die Breite der Platten gehört zu den größten aller PWTs.

Der K105S wird normalerweise in Kühl- oder Heizanlagen, wie Kondensatoren, Enthitzern, Gasheizkesseln oder Wärmepumpen verwendet.

Industry: Chiller Wärmepumpe Kühl- / Gefrierschrank Wärmerückgewinnung Lebensmittelindustrie Pharmazeutisch Prozesskühlung / -heizung Halbleiter Hydraulikindustrie Werkzeugmaschine Bio-Tech Erneuerbare Energie Fernwärme Kessel Flüssigkeitskühlung / -heizung Rechenzentrumsinfrastruktur Kunststoff-Einspritz- / Gummiextrudermaschine Luftkompressor Getriebe heizen / kühlen
Application: Verdampfer Kondensator Unterkühler Sparer Ölkühler Ladeluftkühler
Heat Load(up to)kW: 35.16
Plate Material: SUS316
Brazing Material: Kupfer
Max number of plates(N): 140
Working Pressure: 45
Min test pressure(bar): 200
Max working temperature: 65
Max flow_rate: 310
Plate Heat Transfer Area: 0.0533
Thickness(mm): 13.0+2.38*N
Weight(kg): 5.47+0.237*N
Connection-Male Thread(up to): 1 1/2"
Connection-Female Thread(up to): 1 1/4"
Connection-Solder(up to): 1 5/8"
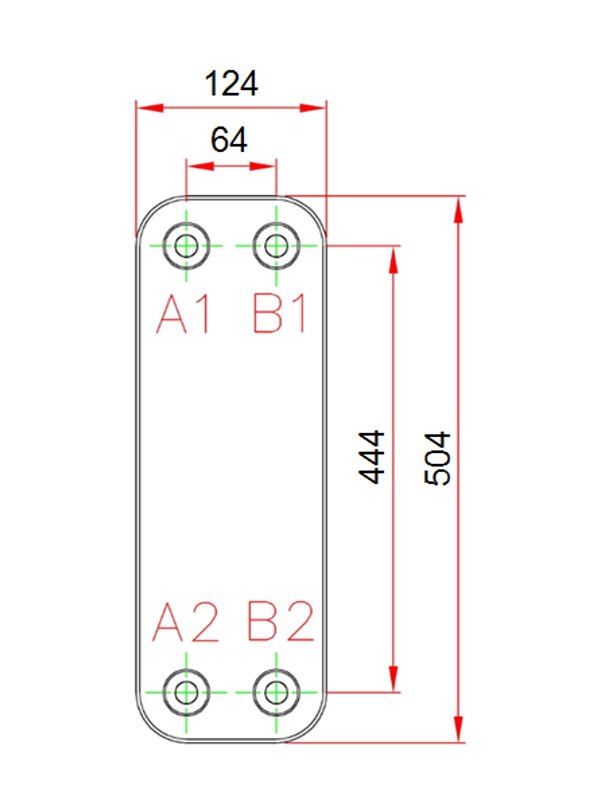
L1(mm): 504
L2(mm): 444
W1(mm): 124
W2(mm): 64

Der K105S wurde mit einer hohen Druckbeständigkeit, einer kompakten Größe und einem langen Strömungskanal für einen besseren Wärmewirkungsgrad gebaut. Die Breite der Platten gehört zu den größten aller PWTs.

Der K105S wird normalerweise in Kühl- oder Heizanlagen, wie Kondensatoren, Enthitzern, Gasheizkesseln oder Wärmepumpen verwendet.

NAME
TEL
EMAIL
MESSAGE
Cpatcha
如果看不清楚請點擊圖片刷新
   
輸入圖片上的字母
不區分大小寫