M095

Größe

Verbinder

M095

Anti-Chlor Gelötete Plattenwärmetauscher

Bei M095 wird Material verwendet, das SMO254 entspricht. Es besitzt eine hervorragende Korrosionsbeständigkeit sowie Beständigkeit gegen Verschleiß durch Bruchstellen. Zudem enthält das Material größere Mengen an Nickel, Chrom und Molybdän, wodurch die Fähigkeit Verschleiß und Bruch zu widerstehen verstärkt wird.
 
M095 ist für die Arbeit in chlorhaltigen Bereichen, wie Schwimmbecken, geeignet.

Industry: Chiller Wärmepumpe Kühl- / Gefrierschrank Schwimmbad
Application: Other
Plate Material: SMO254
Brazing Material: Ni
Max number of plates(N): 80
Working Pressure: 10
Min test pressure(bar): 15
Max working temperature: 200
Max flow_rate: 260
Plate Heat Transfer Area: 0.0475
Thickness(mm): 10.0+2.40*N
Weight(kg): 2.64+0.240*N
Connection-Male Thread(up to): 1 1/4"
Connection-Female Thread(up to): 1"
Connection-Solder(up to): 1 3/8"
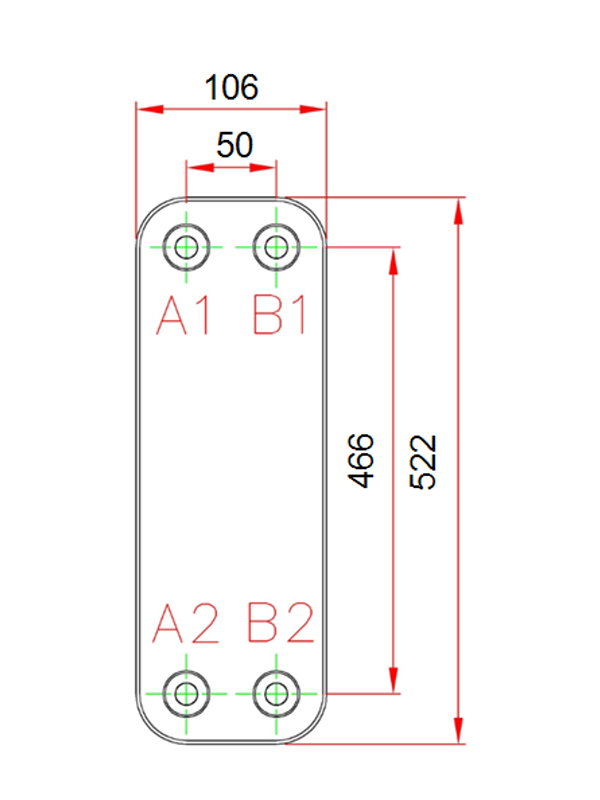
L1(mm): 522
L2(mm): 466
W1(mm): 106
W2(mm): 50

Bei M095 wird Material verwendet, das SMO254 entspricht. Es besitzt eine hervorragende Korrosionsbeständigkeit sowie Beständigkeit gegen Verschleiß durch Bruchstellen. Zudem enthält das Material größere Mengen an Nickel, Chrom und Molybdän, wodurch die Fähigkeit Verschleiß und Bruch zu widerstehen verstärkt wird.
 
M095 ist für die Arbeit in chlorhaltigen Bereichen, wie Schwimmbecken, geeignet.

NAME
TEL
EMAIL
MESSAGE
Cpatcha
如果看不清楚請點擊圖片刷新
   
輸入圖片上的字母
不區分大小寫

Produktreihe