R051

Größe

Verbinder

R051

Mikrokanal Gelötete Plattenwärmetauscher

R051 ist ein neu entwickelter PWT, der für den Gebrauch mit umweltfreundlichem und äußerst wärmeleitendem Kühlmittel, wie R290(Propane),R32, R410A, R134a, bestimmt ist. Die Platten des R051 sind in Design und Form innovativ. Das geringe Gewicht und die gute Druckbeständigkeit senken die Kohlendioxidemission deutlich und die Effizienz steigt gleichzeitig um 10%.

Der R051 passt sich perfekt an seine Arbeitsbedingungen an und erzeugt eine Kühl- und Wärmewirkung, insbesondere bei Verdampfern und Kondensatoren.

Industry: Chiller Wärmepumpe Kühl- / Gefrierschrank Wärmerückgewinnung Prozesskühlung / -heizung Halbleiter Werkzeugmaschine Erneuerbare Energie Fernwärme Kessel Rechenzentrumsinfrastruktur Getriebe heizen / kühlen
Application: Verdampfer Kondensator Unterkühler Sparer Ölkühler Ladeluftkühler
Plate Material: SUS316
Brazing Material: Kupfer
Max number of plates(N): 120
Working Pressure: 45
Min test pressure(bar): 65
Max working temperature: 200
Max flow_rate: 240
Plate Heat Transfer Area: 0.0255
Thickness(mm): 12.0+1.80*N
Weight(kg): 2.10+0.089*N
Connection-Male Thread(up to): 1 1/4"
Connection-Female Thread(up to): 1"
Connection-Solder(up to): 1 1/8"
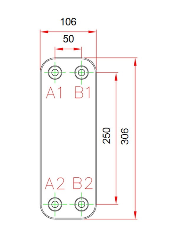
L1(mm): 306
L2(mm): 250
W1(mm): 106
W2(mm): 50

R051 ist ein neu entwickelter PWT, der für den Gebrauch mit umweltfreundlichem und äußerst wärmeleitendem Kühlmittel, wie R290(Propane),R32, R410A, R134a, bestimmt ist. Die Platten des R051 sind in Design und Form innovativ. Das geringe Gewicht und die gute Druckbeständigkeit senken die Kohlendioxidemission deutlich und die Effizienz steigt gleichzeitig um 10%.

Der R051 passt sich perfekt an seine Arbeitsbedingungen an und erzeugt eine Kühl- und Wärmewirkung, insbesondere bei Verdampfern und Kondensatoren.

NAME
TEL
EMAIL
MESSAGE
Cpatcha
如果看不清楚請點擊圖片刷新
   
輸入圖片上的字母
不區分大小寫