K200S

サイズ

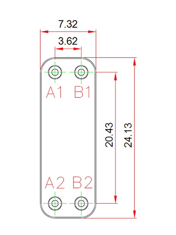
コネクタ

K200S

強化型

K200Sは特に両相変化に対して設計されたBPHEで、各冷媒の使用に適しています。高熱伝導性能の提供、システム内の圧損可能受け入れ程度の維持が可能です。

K200Sは特に油圧システム産業の熱回収、オイルクーラー、及びHVAC産業の蒸発器、凝縮器、エコノマイザー、蒸発/凝縮器の使用に適しています。

Industry: チラー ヒートポンプ リーファー/冷凍庫 廃熱回収 食品機器産業 製薬 プロセス冷却/加熱削除 半導体 油圧産業 工作機械 バイオテクノロジー 再生可能エネルギー 地域暖房 ボイラー 流体の冷却/加熱 データセンターインフラストラクチャ プラスチック射出/ゴム押出機 エアコンプレッサ ギアボックスの加熱/冷却
Application: 蒸発器 凝縮器 過熱器/過冷卻器 エコノマイザー オイルクーラー サブクーラー
Heat Load(up to)kW: 140.64
Plate Material: SUS316
Brazing Material:
Max number of plates(N): 220
Working Pressure: 45
Min test pressure(bar): 65
Max working temperature: 200
Max flow_rate: 740
Plate Heat Transfer Area: 0.0945
Thickness(mm): 17.0+2.40*N
Weight(kg): 12.12+0.404*N
Connection-Male Thread(up to): 2 1/2"
Connection-Female Thread(up to): 1 1/2"
Connection-Solder(up to): 2 1/8"
L1(mm): 613
L2(mm): 519
W1(mm): 186
W2(mm): 92

K200Sは特に両相変化に対して設計されたBPHEで、各冷媒の使用に適しています。高熱伝導性能の提供、システム内の圧損可能受け入れ程度の維持が可能です。

K200Sは特に油圧システム産業の熱回収、オイルクーラー、及びHVAC産業の蒸発器、凝縮器、エコノマイザー、蒸発/凝縮器の使用に適しています。

NAME
TEL
EMAIL
MESSAGE
Cpatcha
如果看不清楚請點擊圖片刷新
   
輸入圖片上的字母
不區分大小寫