C202

サイズ

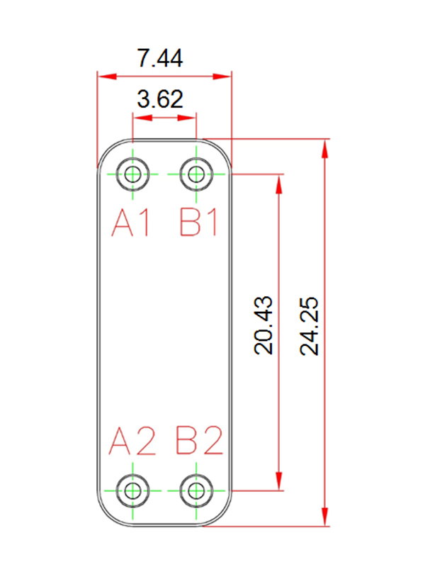
コネクタ

C202

超高圧ブレージング式熱交換器

地球温暖化係数の小さい自然冷媒CO2の特性を活かせるブレージングプレート式熱交換器であり、特許も取得しております。使用用途としまして床暖房、冷凍機、冷凍ショーケースなどがあり、ご要望に応じて一次側と二次側の耐圧を同じにすることが可能です。仕様圧力は7MPa、10MPa、14MPaの三種類から選択できます。小型で熱伝導性も高く低圧力損失というのが最大の特色であり、最大破壊圧力は65MPaに達し反復圧力テストは10万回を超えております。

Industry: チラー ヒートポンプ リーファー/冷凍庫 食品機器産業 製薬 プロセス冷却/加熱削除 半導体 油圧産業 工作機械 バイオテクノロジー 再生可能エネルギー
Application: 蒸発器 凝縮器 過熱器/過冷卻器 エコノマイザー サブクーラー
Heat Load(up to)kW: 140.64
Plate Material: SUS316
Brazing Material:
Max number of plates(N): 160
Working Pressure: 140
Min test pressure(bar): 200
Max working temperature: 200
Max flow_rate: 720
Plate Heat Transfer Area: 0.095
Thickness(mm): 14.0+2.15*N
Weight(kg): 12.41+0.755*N
Connection-Solder(up to): Depends on working condition
L1(mm): 616
L2(mm): 519
W1(mm): 189
W2(mm): 92

地球温暖化係数の小さい自然冷媒CO2の特性を活かせるブレージングプレート式熱交換器であり、特許も取得しております。使用用途としまして床暖房、冷凍機、冷凍ショーケースなどがあり、ご要望に応じて一次側と二次側の耐圧を同じにすることが可能です。仕様圧力は7MPa、10MPa、14MPaの三種類から選択できます。小型で熱伝導性も高く低圧力損失というのが最大の特色であり、最大破壊圧力は65MPaに達し反復圧力テストは10万回を超えております。

NAME
TEL
EMAIL
MESSAGE
Cpatcha
如果看不清楚請點擊圖片刷新
   
輸入圖片上的字母
不區分大小寫

製品シリーズ