M095

尺寸

接頭

M095

耐腐蝕硬銲型板式熱交換器

M095耐腐蝕型板式熱交換器採用與SMO 254同級之材料,具有極優良的耐點腐蝕和耐縫隙腐蝕的性能。除此,該材料含有更高的鎳和鉻、鉬含量,使M095具有極佳的抗應力腐蝕破裂的性能。 M095適合用於氯離子含量較高的水質,譬如游泳池等場合。

使用場合: 冰水機 Chiller 熱泵 Heat Pump 低溫冷凍冷藏Reefer / Freezer 游泳池Swimming Pool
使用裝置: 其它應用
板片材質: 與SMO254同等級
銲接材質:
最大板片數: 80
最大工作壓力(bar): 10
最高工作溫度(°C): 200
厚度 (mm): 10.0+2.40*N
重量(kg): 2.64+0.240*N
外牙接頭: 1 1/4"
內牙接頭: 1"
銲製接頭: 1 3/8"
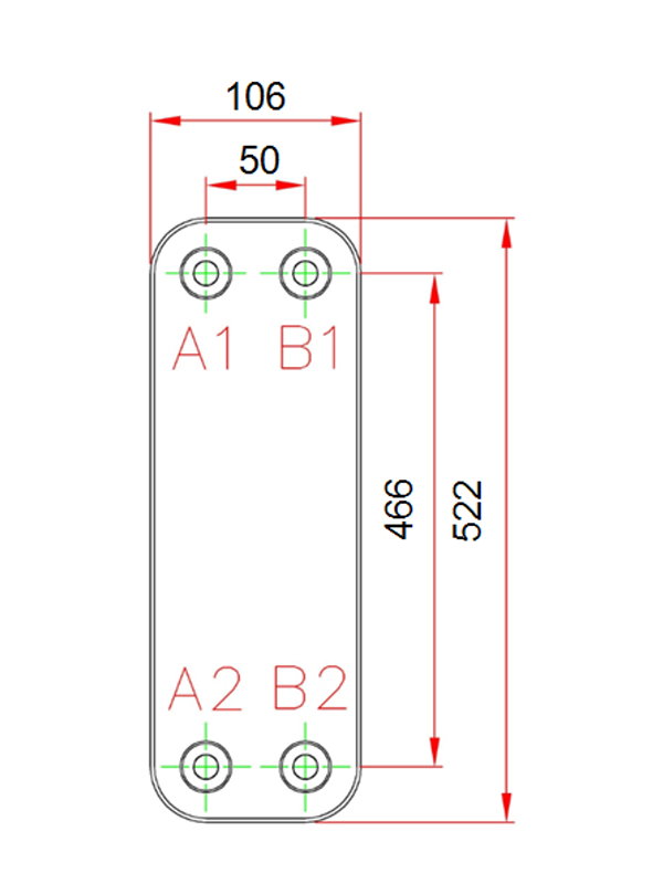
L1(mm): 522
L2(mm): 466
W1(mm): 106
W2(mm): 50

M095耐腐蝕型板式熱交換器採用與SMO 254同級之材料,具有極優良的耐點腐蝕和耐縫隙腐蝕的性能。除此,該材料含有更高的鎳和鉻、鉬含量,使M095具有極佳的抗應力腐蝕破裂的性能。 M095適合用於氯離子含量較高的水質,譬如游泳池等場合。

聯絡人姓名
聯 絡 電 話
電 子 信 箱
詢 問 內 容
驗證碼
如果看不清楚請點擊圖片刷新
   
輸入圖片上的字母
不區分大小寫

系列產品