R021

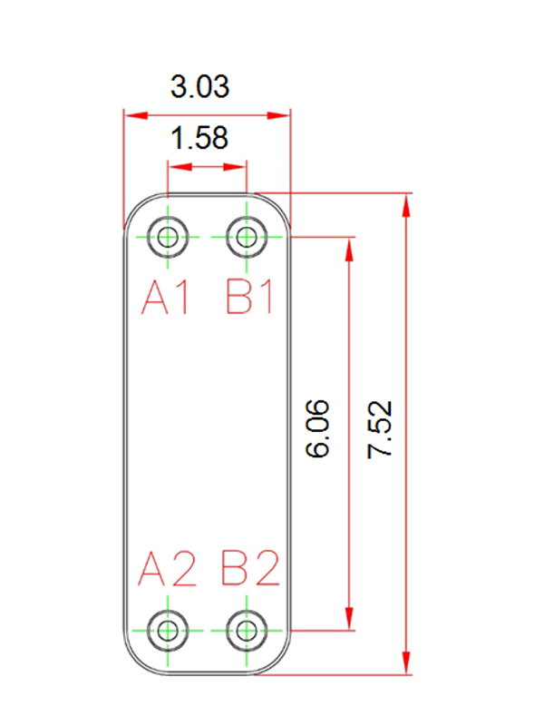
尺寸

接頭

R021

高熱傳性能硬銲型板式熱交換器

R021是針對高效率冷媒所開發的硬銲型板式熱交換器,非常適合用於環保冷媒如R290(Propane),R32,R410A,R134a等高熱傳量冷媒。

R021採取全新板片設計,輕量化但抗高壓的特性,不但大幅降低生產時的碳排放量,性能也大幅提昇10%以上。R021非常適合應用於各式製冷製熱環境,尤其是蒸發器冷凝器

使用場合: 冰水機 Chiller 熱泵 Heat Pump 低溫冷凍冷藏Reefer / Freezer 廢熱回收 Waste Heat Recovery 製程製冷/製熱Process Cooling/Heating 半導體產業Semi Conductor 工具機產業Machine Tool 再生能源Renewable Energy 區域供熱 District Heating 鍋爐 Boiler 資料中心基礎設施Data Center Infrastructure 齒輪箱 Gear Box Heating/Cooling
使用裝置: 蒸發器 冷凝器 過熱器/過冷器 節能器 油冷卻器 中間冷卻器
板片材質: SUS316
銲接材質:
最大板片數: 60
最大工作壓力(bar): 45
最高工作溫度(°C): 200
厚度 (mm): 7.0+1.15*N
重量(kg): 0.62+0.042*N
外牙接頭: 3/4"
內牙接頭: 1/2"
銲製接頭: 3/8"
L1(mm): 191
L2(mm): 154
W1(mm): 77
W2(mm): 40

R021是針對高效率冷媒所開發的硬銲型板式熱交換器,非常適合用於環保冷媒如R290(Propane),R32,R410A,R134a等高熱傳量冷媒。

R021採取全新板片設計,輕量化但抗高壓的特性,不但大幅降低生產時的碳排放量,性能也大幅提昇10%以上。R021非常適合應用於各式製冷製熱環境,尤其是蒸發器冷凝器

聯絡人姓名
聯 絡 電 話
電 子 信 箱
詢 問 內 容
驗證碼
如果看不清楚請點擊圖片刷新
   
輸入圖片上的字母
不區分大小寫