E010

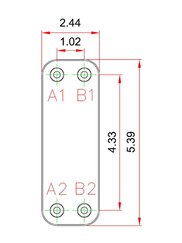
尺寸

接頭

E010

低壓硬銲型板式熱交換器

E系列為針對小流量、水對水熱交換需求所設計的低壓硬銲型板式熱交換器。E010擁有小巧體積、高速渦流讓熱傳導效率極佳。E010提供鍋爐及壁掛爐等系統可靠的節能解決方案。

使用場合: 太陽能熱水器Solar Heating 地板加熱Floor Heating 融雪系統Snow Melting 區域供熱 District Heating 流體製冷/製熱Fluid Cooling/Heating 資料中心基礎設施Data Center Infrastructure
使用裝置: 其它應用
板片材質: SUS316
銲接材質:
最大板片數: 40
最大工作壓力(bar): 20
最高工作溫度(°C): 200
厚度 (mm): 6.5+1.7*N
重量(kg): 0.26+0.024*N
內牙接頭: 1/2"
L1(mm): 136
L2(mm): 110
W1(mm): 61
W2(mm): 27

E系列為針對小流量、水對水熱交換需求所設計的低壓硬銲型板式熱交換器。E010擁有小巧體積、高速渦流讓熱傳導效率極佳。E010提供鍋爐及壁掛爐等系統可靠的節能解決方案。

聯絡人姓名
聯 絡 電 話
電 子 信 箱
詢 問 內 容
驗證碼
如果看不清楚請點擊圖片刷新
   
輸入圖片上的字母
不區分大小寫

系列產品