A032

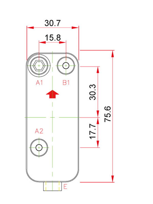
尺寸

接頭

A032

空氣乾燥機專用硬銲型板式熱交換器

高力A032高壓空氣型三合一板式熱交換器係由預冷/ 預熱器、氣水分離器、和蒸發器三者結合為一所組成,高壓型耐壓值可達到45 bar (653
PSI),且露點溫度可設計為3°C 至10°C。全機係由不鏽鋼製成,特殊的板片設計能有效提高熱傳導效率,不僅擁有體積小、無冰堵、無油堵、耐腐蝕和易維護等優點,更是供應PET、吹塑成型、藥品包裝、射出成形等產業冷乾機之最佳選擇。

使用場合: 空氣乾燥機Air Dryer 空氣壓縮機Air Compressor
使用裝置: 其它應用
板片材質: SUS304
銲接材質:
最大板片數: 100
最大工作壓力(bar): 45
最小測試壓力(bar): 65
最高工作溫度(°C): 200
厚度 (mm): depends on the number of plates
重量(kg): depends on the number of plates
銲製接頭: Depends on working condition
L1(mm): 192
L2(mm): 154
W1(mm): 78
W2(mm): 40

高力A032高壓空氣型三合一板式熱交換器係由預冷/ 預熱器、氣水分離器、和蒸發器三者結合為一所組成,高壓型耐壓值可達到45 bar (653
PSI),且露點溫度可設計為3°C 至10°C。全機係由不鏽鋼製成,特殊的板片設計能有效提高熱傳導效率,不僅擁有體積小、無冰堵、無油堵、耐腐蝕和易維護等優點,更是供應PET、吹塑成型、藥品包裝、射出成形等產業冷乾機之最佳選擇。

聯絡人姓名
聯 絡 電 話
電 子 信 箱
詢 問 內 容
驗證碼
如果看不清楚請點擊圖片刷新
   
輸入圖片上的字母
不區分大小寫

系列產品