D046

Size

D046

Double Wall Brazed Plate Heat Exchanger

In prevention of two different kinds of fluid from intermixing caused by internal leakage, KAORI precisely designed the D046 Brazed Plate Heat Exchanger (BPHE) with the double-stacked plates, to eliminate the possibility of cross contamination. The unique air gap is created between the two plates. Once internal leakage occurs, the 2nd plate becomes a shield to keep fluid stay and flow on the same channel through the air gap. Meanwhile, vent holes outside the plate will seep out fluid as an indication of leakage.

The patented plate design construction can greatly raise and enforce the safety to use KAORI D046, especially for Residential and Industries where require high and strict safety standard; a visible safety solution.

Applicable refrigerants: R290(Propane)、R32、R445B、R410A new generation eco-friendly refrigerants.

Industry: Chiller Heat Pump Pharmaceutical Process Cooling/Heating Solar Heating Floor Heating Snow Melting District Heating Boiler
Application: Evaporator Condenser Subcooler Economizer Oilcooler Intercooler
Plate Material: SUS304
Brazing Material: Copper
Max number of plates(N): 60
Working Pressure: 45
Min test pressure(bar): 65
Max working temperature: 200
Thickness(mm): 8.3+2.02*N
Weight(kg): 1.18+0.166*N
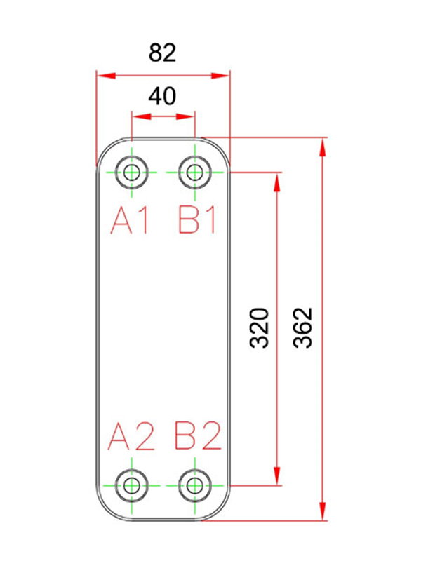
L1(mm): 363
L2(mm): 320
W1(mm): 82
W2(mm): 40

In prevention of two different kinds of fluid from intermixing caused by internal leakage, KAORI precisely designed the D046 Brazed Plate Heat Exchanger (BPHE) with the double-stacked plates, to eliminate the possibility of cross contamination. The unique air gap is created between the two plates. Once internal leakage occurs, the 2nd plate becomes a shield to keep fluid stay and flow on the same channel through the air gap. Meanwhile, vent holes outside the plate will seep out fluid as an indication of leakage.

The patented plate design construction can greatly raise and enforce the safety to use KAORI D046, especially for Residential and Industries where require high and strict safety standard; a visible safety solution.

Applicable refrigerants: R290(Propane)、R32、R445B、R410A new generation eco-friendly refrigerants.

NAME
TEL
EMAIL
MESSAGE
Cpatcha
如果看不清楚請點擊圖片刷新
   
輸入圖片上的字母
不區分大小寫

Product Series